137-7357-9552
0514-84733518
61473096@qq.com
锥型护舷是鼓型护舷和第三代产品,具有最佳的性能和效率,锥形体形状使其在大压缩角度的情况下也十分稳定。此类护舷具有各种规格尺寸,能满足多种靠泊需要。
| 规格 | H | h | ФU | ФW | ФS | ФB | n-MD | d | b | C | 参考重量 |
| 锥300 | 300 | 13.5 | 255 | 450 | 195 | 405 | 4-M16 | 20 | 45~65 | 30 | 30 |
| 锥350 | 350 | 25 | 300 | 570 | 235 | 510 | 4-M20 | 25 | 53~73 | 32 | 56 |
| 锥400 | 400 | 18 | 340 | 600 | 260 | 540 | 4-M20 | 25 | 60~80 | 32 | 77 |
| 锥500 | 500 | 21 | 425 | 750 | 325 | 675 | 4-M24 | 30 | 75~95 | 35 | 140 |
| 锥600 | 600 | 22 | 510 | 900 | 390 | 810 | 6-M24 | 30 | 90~110 | 40 | 230 |
| 锥700 | 700 | 26 | 595 | 1050 | 455 | 945 | 6-M30 | 38 | 105~125 | 50 | 390 |
| 锥800 | 800 | 30 | 680 | 1200 | 520 | 1080 | 6-M36 | 44 | 120~140 | 55 | 540 |
| 锥900 | 900 | 33 | 765 | 1350 | 585 | 1215 | 6-M36 | 44 | 135~155 | 65 | 755 |
| 锥1000 | 1000 | 40 | 850 | 1500 | 650 | 1350 | 6-M42 | 50 | 150~170 | 75 | 1020 |
| 锥1100 | 1100 | 42 | 935 | 1650 | 715 | 1485 | 6-M42 | 50 | 165~185 | 75 | 1500 |
| 锥1150 | 1150 | 42 | 998 | 1725 | 750 | 1550 | 6-M42 | 50 | 170~195 | 75 | 1600 |
| 锥1200 | 1200 | 45 | 1020 | 1800 | 780 | 1620 | 8-M42 | 50 | 180~210 | 80 | 1960 |
| 锥1300 | 1300 | 47 | 1105 | 1950 | 845 | 1755 | 8-M48 | 57 | 195~225 | 80 | 2400 |
| 锥1400 | 1400 | 54 | 1190 | 2100 | 930 | 1890 | 8-M52 | 60 | 210~235 | 80 | 3000 |
| 锥1600 | 1600 | 58 | 1360 | 2400 | 1060 | 2160 | 8-M56 | 66 | 240~270 | 85 | 4600 |
| 锥1800 | 1800 | 75 | 1530 | 2880 | 1190 | 2625 | 10-M56 | 66 | 270~290 | 85 | 6600 |
| 锥2000 | 2000 | 80 | 1900 | 3200 | 1540 | 2920 | 10-M56 | 66 | 300~320 | 85 | 9200 |
| 规格 | 低反力型RL | 标准反力型RO | 高反力型RH | 超高反力型RS | ||||
| 反力 R:KN | 吸能量 E:KNm | 反力 R:KN | 吸能量 E:KNm | 反力 R:KN | 吸能量 E:KNm | 反力R:KN | 吸能量 E:KNm | |
| 锥300 | 59 | 7.7 | 68 | 9.2 | 84 | 11.8 | 104 | 14.4 |
| 锥350 | 80 | 12.5 | 93 | 14.8 | 114 | 19 | 141 | 23.1 |
| 锥400 | 105 | 18 | 124 | 22 | 150 | 28.3 | 185 | 34.6 |
| 锥500 | 157 | 43.8 | 196 | 54.7 | 245 | 65.1 | 306 | 81.3 |
| 锥600 | 226 | 75.6 | 283 | 94.5 | 353 | 112 | 441 | 141 |
| 锥700 | 308 | 120 | 385 | 150 | 481 | 179 | 601 | 223 |
| 锥800 | 402 | 179 | 502 | 224 | 628 | 266 | 785 | 833 |
| 锥900 | 509 | 255 | 636 | 319 | 795 | 379 | 993 | 474 |
| 锥1000 | 628 | 350 | 785 | 438 | 981 | 520 | 1230 | 651 |
| 锥1100 | 759 | 466 | 949 | 583 | 1190 | 693 | 1480 | 866 |
| 锥1150 | 830 | 532 | 1040 | 665 | 1300 | 792 | 1620 | 989 |
| 锥1200 | 904 | 605 | 1130 | 757 | 1410 | 900 | 1770 | 1130 |
| 锥1300 | 1060 | 770 | 1330 | 962 | 1660 | 1140 | 2070 | 1430 |
| 锥1400 | 1230 | 961 | 1540 | 1200 | 1920 | 1430 | 2400 | 1790 |
| 锥1600 | 1610 | 1440 | 2010 | 1790 | 2510 | 2130 | 3140 | 2670 |
| 锥1800 | 1912 | 1804 | 2401 | 2264 | 3000 | 2830 | 3750 | 3538 |
| 锥2000 | 2660 | 2840 | 2990 | 3192 | 3541 | 3806 | 4262 | 4637 |
| 注:1.性能公差:±10%。 2.可根据客户需要调整产品性能 | ||||||||
| H(%) | 0 | 5 | 10 | 15 | 20 | 25 | 30 | 35 | 40 | 45 | 50 | 55 | 60 | 65 | 70 |
| E(%) | 0 | 1.1 | 4.2 | 8.4 | 16 | 23 | 30 | 40 | 46 | 58 | 65 | 74 | 86 | 93 | 100 |
| R(%) | 0 | 29 | 50 | 66 | 76 | 85 | 94 | 99 | 100 | 99 | 98 | 93 | 92 | 92.5 | 100 |

| 配件名称 | 用途 | ||
| 预埋配件 | 预埋件 | U型环 | 悬挂锚链 |
| 预埯螺母 | 固定护舷于码头上 | ||
| 地脚杆 | |||
| 地脚板 | |||
| 六角头螺栓 | |||
| 垫片 | |||
| 护舷连接配件 | 六角螺母 | 固定护舷于防冲板上 | |
| 六角头螺栓 | |||
| 垫片 | |||
| 贴面板连接配件 | 植焊螺钉 | 固定贴面板于防冲板上 | |
| 垫圈 | |||
| 六角螺母 | |||
| 锚链(弹簧链) | 拉伸链 | 约束护舷系统的倾斜压缩变形 | |
| 承重链 | 承受冲板重量,防止护舷前倾 | ||
| 剪切链 | 约束护舷系统的剪切变形 | ||
| 防冲板 | 承受靠泊压力,降低面压 | ||
| 贴面板 | 降低摩擦系数,保护船体 | ||
| 名称 | 材料 |
| U型环 | Q235 Q235热镀锌 2Cr13 0Cr18Ni10Ti 0Cr18Ni9 0Cr17Ni12Mo2 |
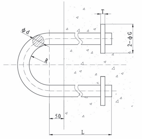
| 规格 | Фd | R | L | ФG | T |
| 锥型500 | Ф50 | R80 | 650 | Ф110 | 20 ~ 30 |
| 锥型600 | Ф55 | R90 | 730 | Ф120 | 20 ~ 30 |
| 锥型700 | Ф55 | R90 | 730 | Ф120 | 20 ~ 30 |
| 锥型800 | Ф55 | R90 | 730 | Ф120 | 20 ~ 30 |
| 锥型900 | Ф60 | R100 | 780 | Ф140 | 25 ~ 35 |
| 锥型1000 | Ф60 | R100 | 780 | Ф140 | 25 ~ 35 |
| 锥型1100 | Ф60 | R100 | 780 | Ф140 | 25 ~ 35 |
| 锥型1150 | Ф65 | R105 | 830 | Ф150 | 25 ~ 35 |
| 锥型1200 | Ф65 | R105 | 830 | Ф150 | 25 ~ 35 |
| 锥型1300 | Ф65 | R105 | 830 | Ф150 | 25 ~ 35 |
| 锥型1400 | Ф65 | R105 | 830 | Ф150 | 25 ~ 35 |
| 锥型1600 | Ф70 | R115 | 880 | Ф160 | 25 ~ 35 |
| 锥型1800 | Ф70 | R120 | 880 | Ф160 | 25 ~ 35 |
| 锥型2000 | Ф80 | R120 | 930 | Ф160 | 25 ~ 35 |
预埋件I,用于将护舷安装在现浇混凝土上。
| 名称 | 材料 |
| 六角头螺栓 | 2Cr13 0Cr18Ni10Ti 0Cr18Ni9 0Cr17Ni12Mo2 |
| 垫片 | Q235热镀锌 0Cr18Ni10Ti 2Cr13 0Cr18Ni9 0Cr17Ni12Mo2 |
| 预埋螺母 | 2Cr13 0Cr18Ni10Ti 0Cr18Ni9 0Cr17Ni12Mo2 |
| 地脚杆 | Q235 |
| 地脚板 | Q235 |
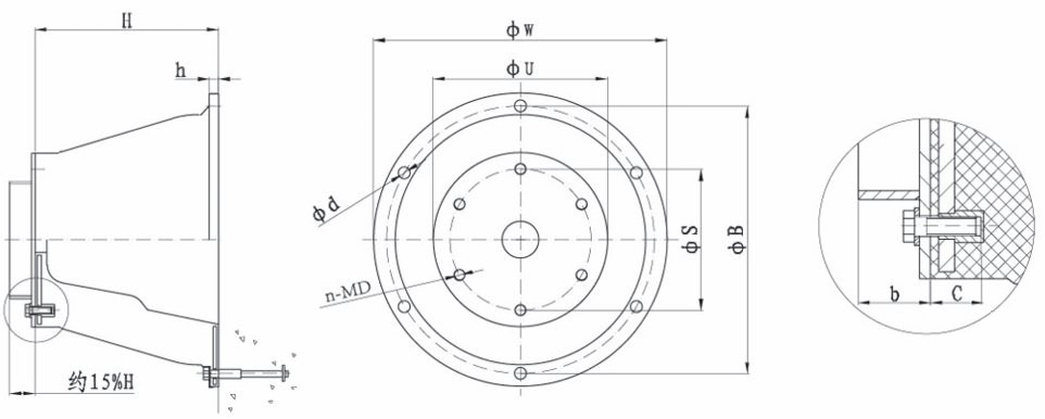
| 规格 | MD | 六角头螺栓 | 垫片 | 预埋螺母 | 地脚杆 地脚板 | ||||||||||||
| H | J | S | m | N | n | P | U | V | R | b | e | a | G | T | L | ||
| 锥300 | M16 | 10 | 50 | 35 | 35 | 10 | 41 | 41 | 3 | 20 | 5 | 65 | 26 | 35 | 60 | 4-8 | 160 |
| 锥350 | M20 | 17 | 60 | 40 | 40 | 15 | 57 | 57 | 5 | 23 | 10 | 70 | 30 | 40 | 65 | 6-10 | 200 |
| 锥400 | M20 | 17 | 50 | 40 | 35 | 15 | 55 | 55 | 5 | 23 | 10 | 70 | 30 | 40 | 65 | 6-10 | 200 |
| 锥500 | M24 | 17 | 60 | 50 | 55 | 20 | 73 | 28 | 5 | 28 | 15 | 80 | 34 | 50 | 70 | 6-10 | 240 |
| 锥600 | M24 | 17 | 60 | 50 | 55 | 20 | 80 | 28 | 5 | 28 | 15 | 80 | 34 | 50 | 70 | 6-10 | 240 |
| 锥700 | M30 | 19 | 75 | 65 | 65 | 20 | 93 | 33 | 5 | 34 | 15 | 100 | 39 | 65 | 80 | 10-12 | 300 |
| 锥800 | M36 | 23 | 85 | 75 | 70 | 24 | 102 | 35 | 5 | 40 | 15 | 110 | 47 | 70 | 85 | 10-12 | 360 |
| 锥900 | M36 | 23 | 90 | 80 | 70 | 24 | 111 | 35 | 6 | 40 | 15 | 110 | 47 | 70 | 85 | 10-12 | 360 |
| 锥1000 | M42 | 26 | 100 | 80 | 85 | 26 | 126 | 43 | 6 | 46 | 25 | 120 | 54 | 75 | 100 | 12-16 | 420 |
| 锥1100 | M42 | 26 | 105 | 90 | 85 | 26 | 134 | 43 | 6 | 46 | 25 | 120 | 54 | 75 | 100 | 12-16 | 420 |
| 锥1150 | M42 | 26 | 105 | 90 | 85 | 28 | 139 | 43 | 6 | 46 | 25 | 120 | 54 | 75 | 100 | 12-16 | 420 |
| 锥1200 | M42 | 26 | 110 | 90 | 85 | 31 | 144 | 43 | 8 | 46 | 25 | 120 | 54 | 75 | 100 | 12-16 | 420 |
| 锥1300 | M48 | 30 | 120 | 95 | 100 | 31 | 158 | 50 | 8 | 52 | 30 | 140 | 64 | 85 | 130 | 12-16 | 480 |
| 锥1400 | M52 | 35 | 130 | 100 | 110 | 34 | 170 | 55 | 8 | 56 | 30 | 140 | 69 | 85 | 130 | 12-16 | 520 |
| 锥1600 | M56 | 35 | 140 | 110 | 120 | 34 | 192 | 60 | 10 | 60 | 30 | 150 | 74 | 90 | 140 | 16-20 | 560 |
| 锥1800 | M56 | 35 | 150 | 110 | 120 | 34 | 207 | 60 | 10 | 60 | 30 | 150 | 74 | 90 | 140 | 16-20 | 560 |
| 锥2000 | M56 | 35 | 160 | 130 | 130 | 45 | 212 | 60 | 10 | 60 | 30 | 150 | 74 | 90 | 140 | 16-20 | 560 |
预埋件II,用于将护舷安装在已有混凝土上。

| 名称 | 材料 |
| 六角螺母 | 2Cr13 0Cr18Ni10Ti 0Cr18Ni9 0Cr17Ni12Mo2 |
| 垫片 | Q235热镀锌 0Cr18Ni10Ti 2Cr13 0Cr18Ni9 0Cr17Ni12Mo2 |
| 直杆螺栓 | 2Cr13 0Cr18Ni10Ti 0Cr18Ni9 0Cr17Ni12Mo2 |
| 规格 | MD | 螺母 | 垫片 | 直杆螺栓 | ||||||||
| H | m | N | n | P | U | V | R | a | L | A | ||
| 锥300 | M16 | 10 | 35 | 10 | 41 | 41 | 3 | 20 | 5 | 40 | 200 | 32 |
| 锥350 | M20 | 17 | 40 | 15 | 57 | 57 | 5 | 23 | 10 | 55 | 240 | 25 |
| 锥400 | M20 | 17 | 35 | 15 | 55 | 55 | 5 | 23 | 10 | 50 | 240 | 25 |
| 锥500 | M24 | 17 | 55 | 20 | 73 | 73 | 5 | 28 | 15 | 55 | 280 | 30 |
| 锥600 | M24 | 17 | 55 | 20 | 80 | 80 | 5 | 28 | 15 | 55 | 280 | 30 |
| 锥700 | M30 | 19 | 65 | 20 | 93 | 93 | 5 | 34 | 15 | 65 | 360 | 38 |
| 锥800 | M36 | 23 | 70 | 24 | 102 | 102 | 5 | 40 | 15 | 75 | 440 | 46 |
| 锥900 | M36 | 23 | 70 | 24 | 111 | 111 | 6 | 40 | 15 | 80 | 440 | 46 |
| 锥1000 | M42 | 26 | 85 | 26 | 126 | 126 | 6 | 46 | 25 | 95 | 510 | 55 |
| 锥1100 | M42 | 26 | 85 | 26 | 134 | 134 | 6 | 46 | 25 | 95 | 510 | 55 |
| 锥1150 | M42 | 26 | 85 | 28 | 139 | 139 | 6 | 46 | 25 | 95 | 510 | 55 |
| 锥1200 | M42 | 26 | 85 | 31 | 144 | 144 | 8 | 46 | 25 | 105 | 510 | 55 |
| 锥1300 | M48 | 30 | 100 | 31 | 158 | 158 | 8 | 52 | 30 | 115 | 580 | 60 |
| 锥1400 | M52 | 35 | 110 | 34 | 170 | 170 | 8 | 56 | 30 | 120 | 600 | 65 |
| 锥1600 | M56 | 35 | 120 | 34 | 192 | 192 | 10 | 60 | 30 | 135 | 680 | 68 |
| 锥1800 | M56 | 35 | 120 | 34 | 207 | 207 | 10 | 60 | 30 | 140 | 680 | 68 |
| 锥2000 | M56 | 35 | 130 | 45 | 212 | 212 | 10 | 60 | 30 | 160 | 680 | 68 |

| 规格 | 卸扣 | 链环 | 自制卸扣 | 链环拉力载荷 |
| 45#热镀锌 | 20Mn热镀锌 | Q235热镀锌 | ||
| 锥型500 | M25 | Ф25 | M36 | 109 |
| 锥型600 | ||||
| 锥型700 | M32 | Ф28 | M39 | 135 |
| 锥型800 | Ф32 | M42 | 188 | |
| 锥型900 | M36 | Ф34 | M45 | 202 |
| 锥型1000 | M38 | Ф36 | M48 | 227 |
| 锥型1100 | ||||
| 锥型1150 | Ф38 | M52 | 253 | |
| 锥型1200 | M42 | Ф40 | M56 | 280 |
| 锥型1300 | ||||
| 锥型1400 | ||||
| 锥型1600 | M45 | Ф42 | 309 | |
| 锥型1800 | ||||
| 锥型2000 | M50 | Ф46 | M64 | 371 |
| 注:表格中的数据仅供参考,最终图纸应根据客户提供的详细资料而设计。 | ||||

| 规格 | 卸扣 | 链环 | 弹簧架 | 橡胶弹簧 | 自制卸扣 | 链环拉力载荷 |
| 45#热镀锌 | 20Mn热镀锌 | Q235热镀锌 | 橡胶 | Q235热镀锌 | ||
| 锥型500 | M22 | Ф20 | M30 |
Ф100 * Ф30 * 150 |
M30 | 78 |
| 锥型600 | ||||||
| 锥型700 | M25 | Ф25 | M36 | 109 | ||
| 锥型800 | M32 | Ф28 | M36 | M39 | 135 | |
| 锥型900 | Ф32 | M42 | 188 | |||
| 锥型1000 | M36 | Ф34 | M42 | M45 | 202 | |
| 锥型1100 | M38 | Ф36 | M48 | 227 | ||
| 锥型1150 | Ф38 | M48 |
Ф150 * Ф50 * 200 |
M52 | 253 | |
| 锥型1200 | M42 | Ф40 | M56 | 280 | ||
| 锥型1300 | ||||||
| 锥型1400 | ||||||
| 锥型1600 | M45 | Ф42 | M56 | 309 | ||
| 锥型1800 | ||||||
| 锥型2000 | M50 | Ф46 | M60 | 371 | ||
| 注:表格中的数据仅供参考,最终图纸应根据客户提供的详细资料而设计。 | ||||||
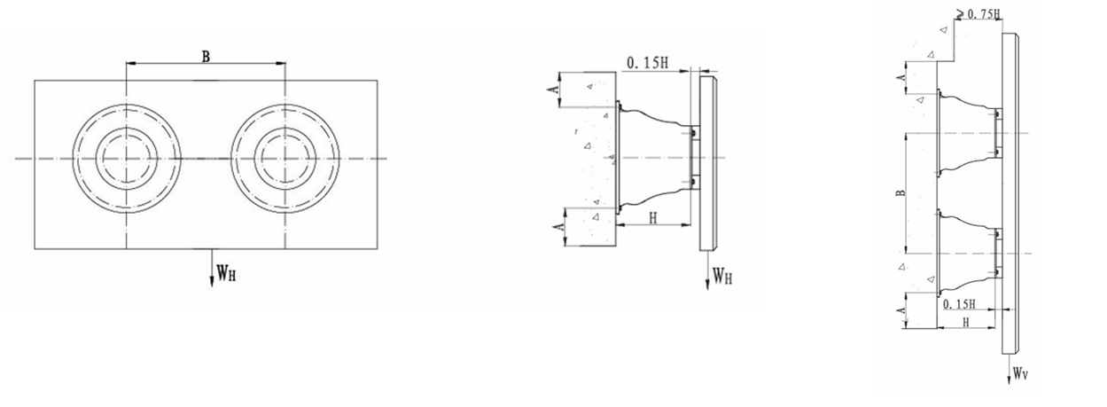
护舷安装最小间距与预埋螺栓到水泥构件边缘的最小距离。

规格
A
B
锥型500
240
850
锥型600
240
1020
锥型700
300
1190
锥型800
360
1360
锥型900
360
1530
锥型1000
420
1700
锥型1100
420
1870
锥型1150
420
1955
锥型1200
420
2040
锥型1300
480
2220
锥型1400
480
2420
锥型1600
480
2820
锥型1800
430
3220
锥型2000
450
3600
护舷系统在没有额外支撑锚链情况下,防冲板的重量许可指南。
| 性能 | 水平单锥或多锥布置 | 垂直单锥或多锥布置 |
| 低反力型RL | WH ≤n*0.85*W | Wv ≤n*1.0*W |
| 标反力型RO | WH ≤n*1.0*W | Wv≤n*1.25*W |
| 高反力型RH | WH ≤n*1.3*W | Wv≤n*1.55*W |
