137-7357-9552
0514-84733518
61473096@qq.com
鼓型护舷具有较长的历史,它现在的结构是经过不断改进的结果,使其具有简单、高性能和高强度的特点,但其安装尺寸没有改变,可以与许多早期类型的鼓型护舷进行互换。此类护舷具有各种规格尺寸,能满足多种靠泊需要。
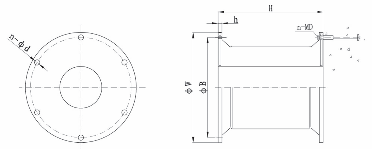
| 规格 | H | ФW | ФB | h | d | n-MD | 参考重量 |
| YGCH40OH | 400 | 650 | 550 | 25 | 30 | 4-M22 | 78 |
| YGCH50OH | 500 | 650 | 550 | 25 | 32 | 4-M24 | 110 |
| YGCH630H | 630 | 840 | 700 | 30 | 39 | 4-M30 | 230 |
| YGCH80OH | 800 | 1050 | 900 | 30 | 40 | 6-M33 | 410 |
| YGCH1000H | 1000 | 1300 | 1100 | 35 | 47 | 6-M39 | 820 |
| YGCH1150H | 1150 | 1500 | 1300 | 40 | 50 | 6-M42 | 1215 |
| YGCH1250H | 1250 | 1650 | 1450 | 45 | 53 | 6-M45 | 1490 |
| YGCH1450H | 1450 | 1850 | 1650 | 47 | 61 | 6-M52 | 2330 |
| YGCH1600H | 1600 | 2000 | 1800 | 50 | 61 | 8-M52 | 3020 |
| YGCH1700H | 1700 | 2100 | 1900 | 55 | 66 | 8-M56 | 3730 |
| YGCH2000H | 2000 | 2200 | 2000 | 48 | 74 | 8-M64 | 5260 |
| YGCH2250H | 2250 | 2550 | 2300 | 60 | 74 | 10-M64 | 7450 |
| YGCH2500H | 2500 | 2950 | 2700 | 70 | 74 | 10-M64 | 10750 |
| YGCH300OH | 3000 | 3350 | 3150 | 85 | 90 | 12-M76 | 18600 |
性能数据:
| 反力R:KN | 低反力型RL | 标准反力型RO | 高反力型RH | 超高反力型RS | 超高反力型RE | ||||||
| 吸能量E:KNm | 设计压缩变形52.5% | 最大压缩变形55% | 设计压缩变形52.5% | 最大压缩变形55% | 设计压缩变形52.5% | 最大压缩变形55% | 设计压缩变形52.5% | 最大压缩变形55% | 设计压缩变形52.5% | 最大压缩变形55% | |
| YGCH400H | R | 51 | 59 | 64 | 75 | 83 | 97 | 96 | 112 | 110 | 125 |
| E | 9 | 9.5 | 11 | 12 | 14 | 15 | 17 | 18 | 19 | 21 | |
| YGCH500HE | R | 86 | 99 | 108 | 125 | 140 | 160 | 162 | 187 | 182 | 210 |
| E | 18 | 19 | 23 | 25 | 30 | 32 | 36 | 38 | 40 | 43 | |
| YGCH63OH | R | 138 | 147 | 172 | 182 | 224 | 237 | 258 | 274 | 290 | 309 |
| E | 38 | 40 | 49 | 50 | 62 | 67 | 72 | 76 | 80 | 85 | |
| YGCH800H | R | 211 | 225 | 275 | 292 | 355 | 378 | 142 | 437 | 464 | 493 |
| E | 75 | 78 | 98 | 102 | 125 | 132 | 145 | 153 | 163 | 173 | |
| YGCH1000H | R | 349 | 372 | 436 | 463 | 567 | 603 | 655 | 696 | 737 | 784 |
| E | 153 | 163 | 195 | 203 | 249 | 264 | 287 | 304 | 324 | 343 | |
| YGCH1150H | R | 462 | 491 | 578 | 614 | 750 | 798 | 865 | 920 | 975 | 1037 |
| E | 233 | 247 | 297 | 309 | 379 | 401 | 437 | 463 | 492 | 521 | |
| YGCH1250H | R | 546 | 581 | 682 | 725 | 886 | 942 | 1022 | 1087 | 1153 | 1225 |
| E | 299 | 316 | 382 | 396 | 486 | 516 | 561 | 594 | 632 | 669 | |
| YGCH1450H | R | 735 | 781 | 918 | 976 | 1193 | 1269 | 1376 | 1464 | 1551 | 1649 |
| E | 468 | 495 | 596 | 619 | 760 | 804 | 876 | 928 | 987 | 1045 | |
| YGCH1600H | R | 894 | 950 | 1117 | 1189 | 1453 | 1544 | 1676 | 1781 | 1888 | 2007 |
| E | 628 | 665 | 801 | 832 | 1020 | 1080 | 1177 | 1247 | 1326 | 1405 | |
| YGCH1700H | R | 1009 | 1073 | 1262 | 1342 | 1640 | 1743 | 1892 | 2012 | 2131 | 2266 |
| E | 753 | 798 | 960 | 997 | 1224 | 1300 | 1413 | 1495 | 1591 | 1685 | |
| YGCH2000H | R | 1398 | 1485 | 1746 | 1856 | 2270 | 2413 | 2619 | 2783 | 2941 | 3136 |
| E | 1227 | 1299 | 1564 | 1624 | 1994 | 2111 | 2300 | 2435 | 2591 | 2743 | |
| YGCH2250H | R | 2085 | 2216 | 2454 | 2607 | 3188 | 3390 | 3679 | 3911 | 4145 | 4406 |
| E | 2060 | 2180 | 2472 | 2566 | 3150 | 3336 | 3628 | 3848 | 4095 | 4337 | |
| YGCH2500H | R | 2574 | 2737 | 3028 | 3220 | 3937 | 4182 | 4543 | 4829 | 5118 | 5441 |
| E | 2826 | 2992 | 3391 | 3520 | 4322 | 4576 | 4987 | 5280 | 5618 | 5949 | |
| YGCH3000H | R |
|
|
3750 | 4217 | 4482 | 5099 |
|
|
|
|
| E |
|
|
4300 | 4635 | 5160 | 5510 |
|
|
|
|
|
| 注:1.性能公差:+10%。2.可根据客户需要调整产品性能。 | |||||||||||

| 配件名称 | 用途 | ||
| 预埋配件 | 预埋件 | U型环 | 悬挂锚链 |
| 预埯螺母 | 固定护舷于码头上 | ||
| 地脚杆 | |||
| 地脚板 | |||
| 六角头螺栓 | |||
| 垫片 | |||
| 护舷连接配件 | 六角螺母 | 固定护舷于防冲板上 | |
| 六角头螺栓 | |||
| 垫片 | |||
| 贴面板连接配件 | 植焊螺钉 | 固定贴面板于防冲板上 | |
| 垫圈 | |||
| 六角螺母 | |||
| 锚链(弹簧链) | 拉伸链 | 约束护舷系统的倾斜压缩变形 | |
| 承重链 | 承受冲板重量,防止护舷前倾 | ||
| 剪切链 | 约束护舷系统的剪切变形 | ||
| 防冲板 | 承受靠泊压力,降低面压 | ||
| 贴面板 | 降低摩擦系数,保护船体 | ||
| 名称 | 材料 |
| U型环 | Q235 Q235热镀锌 2Cr13 0Cr18Ni10Ti 0Cr18Ni9 0Cr17Ni12Mo2 |
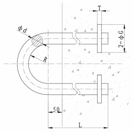
| 规格 | Фd | R | L | ФG | T |
| YGCH500 | Ф40 | R70 | 600 | Ф100 | 20 ~ 30 |
| YGCH630 | Ф40 | R70 | 600 | Ф100 | 20 ~ 30 |
| YGCH800 | Ф50 | R80 | 650 | Ф110 | 20 ~ 30 |
| YGCH1000 | Ф55 | R90 | 730 | Ф120 | 20 ~ 30 |
| YGCH1150 | Ф60 | R100 | 780 | Ф140 | 25 ~ 35 |
| YGCH1250 | Ф60 | R100 | 780 | Ф140 | 25 ~ 35 |
| YGCH1450 | Ф60 | R100 | 780 | Ф140 | 25 ~ 35 |
| YGCH1600 | Ф65 | R105 | 830 | Ф150 | 25 ~ 35 |
| YGCH1700 | Ф65 | R105 | 830 | Ф150 | 25 ~ 35 |
| YGCH2000 | Ф70 | R115 | 880 | Ф160 | 25 ~ 35 |
| YGCH2250 | Ф70 | R115 | 880 | Ф160 | 25 ~ 35 |
| YGCH2500 | Ф80 | R120 | 930 | Ф160 | 25 ~ 35 |
| YGCH3000 | Ф80 | R120 | 930 | Ф160 | 25 ~ 35 |
预埋件I,用于将护舷安装在现浇混凝土上。

| 名称 | 材料 |
| 六角头螺栓 | 2Cr13 0Cr18Ni10Ti 0Cr18Ni9 0Cr17Ni12Mo2 |
| 垫片 | Q235热镀锌 0Cr18Ni10Ti 2Cr13 0Cr18Ni9 0Cr17Ni12Mo2 |
| 预埋螺母 | 2Cr13 0Cr18Ni10Ti 0Cr18Ni9 0Cr17Ni12Mo2 |
| 地脚杆 | Q235 |
| 地脚板 | Q235 |
| 规格 | MD | 六角头螺栓 | 垫片 | 预埋螺母 | 地脚杆 地脚板 | ||||||||||||
| H | J | S | m | N | n | P | U | V | R | b | e | a | G | T | L | ||
| YGCH400 | M22 | 15 | 65 | 55 | 50 | 20 | 82 | 25 | 5 | 25 | 15 | 80 | 31 | 50 | 70 | 6-10 | 220 |
| YGCH500 | M24 | 17 | 65 | 55 | 50 | 20 | 82 | 25 | 5 | 28 | 15 | 80 | 34 | 50 | 70 | 6-10 | 240 |
| YGCH630 | M30 | 19 | 80 | 70 | 60 | 25 | 107 | 30 | 5 | 34 | 15 | 100 | 39 | 65 | 80 | 10-12 | 300 |
| YGCH800 | M33 | 23 | 80 | 70 | 65 | 25 | 117 | 35 | 5 | 36 | 15 | 100 | 44 | 65 | 80 | 10-12 | 330 |
| YGCH1000 | M39 | 26 | 95 | 80 | 80 | 26 | 148 | 40 | 6 | 43 | 25 | 120 | 49 | 75 | 90 | 10-12 | 390 |
| YGCH1150 | M42 | 26 | 100 | 80 | 85 | 28 | 151 | 43 | 6 | 46 | 25 | 120 | 54 | 75 | 100 | 12-16 | 420 |
| YGCH1250 | M45 | 30 | 110 | 90 | 90 | 30 | 153 | 45 | 6 | 49 | 30 | 130 | 59 | 80 | 100 | 12-16 | 450 |
| YGCH1450 | M52 | 35 | 120 | 95 | 100 | 34 | 158 | 50 | 6 | 56 | 30 | 140 | 69 | 85 | 130 | 12-16 | 500 |
| YGCH1600 | M52 | 35 | 120 | 95 | 100 | 34 | 158 | 50 | 6 | 56 | 30 | 140 | 69 | 85 | 130 | 12-16 | 500 |
| YGCH1700 | M56 | 35 | 135 | 110 | 105 | 40 | 165 | 55 | 8 | 62 | 30 | 150 | 74 | 90 | 130 | 16-20 | 560 |
| YGCH2000 | M64 | 40 | 145 | 125 | 115 | 40 | 170 | 60 | 8 | 70 | 40 | 170 | 79 | 105 | 150 | 16-20 | 640 |
| YGCH2250 | M64 | 40 | 150 | 125 | 115 | 43 | 195 | 60 | 8 | 70 | 40 | 170 | 79 | 105 | 150 | 16-20 | 640 |
| YGCH2500 | M64 | 40 | 160 | 125 | 115 | 50 | 197 | 60 | 10 | 70 | 50 | 170 | 79 | 105 | 175 | 16-20 | 640 |
| YGCH3000 | M76 | 50 | 190 | 145 | 140 | 55 | 182 | 70 | 10 | 84 | 50 | 200 | 94 | 125 | 175 | 20-24 | 760 |
预埋件II,用于将护舷安装在已有混凝土上。
| 名称 | 材料 |
| 六角螺母 | 2Cr13 0Cr18Ni10Ti 0Cr18Ni9 0Cr17Ni12Mo2 |
| 垫片 | Q235热镀锌 0Cr18Ni10Ti 2Cr13 0Cr18Ni9 0Cr17Ni12Mo2 |
| 直杆螺栓 | 2Cr13 0Cr18Ni10Ti 0Cr18Ni9 0Cr17Ni12Mo2 |
| 规格 | MD | 螺母 | 垫片 | 直杆螺栓 | ||||||||
| H | m | N | n | P | U | V | R | a | L | A | ||
| YGCH400 | M22 | 20 | 50 | 20 | 82 | 25 | 5 | 25 | 15 | 60 | 260 | 28 |
| YGCH500 | M24 | 22 | 50 | 20 | 82 | 25 | 5 | 28 | 15 | 60 | 280 | 30 |
| YGCH630 | M30 | 26 | 60 | 25 | 107 | 30 | 5 | 34 | 15 | 70 | 360 | 38 |
| YGCH800 | M33 | 28 | 65 | 25 | 117 | 35 | 5 | 36 | 15 | 75 | 400 | 42 |
| YGCH1000 | M39 | 32 | 80 | 26 | 148 | 40 | 6 | 43 | 25 | 85 | 460 | 50 |
| YGCH1150 | M42 | 34 | 85 | 28 | 151 | 43 | 6 | 46 | 25 | 95 | 510 | 55 |
| YGCH1250 | M45 | 36 | 90 | 30 | 153 | 45 | 6 | 49 | 30 | 105 | 550 | 60 |
| YGCH1450 | M52 | 42 | 100 | 34 | 158 | 50 | 6 | 56 | 30 | 115 | 630 | 65 |
| YGCH1600 | M52 | 42 | 100 | 34 | 158 | 50 | 6 | 56 | 30 | 115 | 630 | 65 |
| YGCH1700 | M56 | 45 | 105 | 40 | 165 | 55 | 8 | 62 | 30 | 125 | 680 | 68 |
| YGCH2000 | M64 | 51 | 115 | 40 | 170 | 60 | 8 | 70 | 40 | 130 | 780 | 75 |
| YGCH2250 | M64 | 51 | 115 | 43 | 195 | 60 | 8 | 70 | 40 | 140 | 780 | 75 |
| YGCH2500 | M64 | 51 | 115 | 50 | 197 | 60 | 10 | 70 | 50 | 150 | 780 | 75 |
| YGCH3000 | M76 | 64 | 140 | 55 | 182 | 70 | 10 | 84 | 50 | 180 | 940 | 88 |

| 规格 | 卸扣 | 链环 | 自制卸扣 | 链环拉力载荷 |
| 45#热镀锌 | 20Mn热镀锌 | Q235热镀锌 | ||
| YGCH500 | M22 | Ф20 | M30 | 78 |
| YGCH630 | ||||
| YGCH800 | M25 | Ф25 | M36 | 109 |
| YGCH1000 | M32 | Ф28 | M39 | 135 |
| YGCH1150 | Ф32 | M42 | 188 | |
| YGCH1250 | M36 | Ф34 | M45 | 202 |
| YGCH1450 | M38 | Ф36 | M48 | 227 |
| YGCH1600 | Ф38 | M52 | 253 | |
| YGCH1700 | M42 | Ф40 | M56 | 280 |
| YGCH2000 | M45 | Ф42 | 309 | |
| YGCH2250 | ||||
| YGCH2500 | M50 | Ф46 | M60 | 371 |
| YGCH3000 | ||||
| 注:表格中的数据仅供参考,最终图纸应根据客户提供的详细资料而设计。 | ||||
| 规格 | 卸扣 | 链环 | 弹簧架 | 橡胶弹簧 | 自制卸扣 | 链环拉力载荷 |
| 45#热镀锌 | 20Mn热镀锌 | Q235热镀锌 | 橡胶 | Q235热镀锌 | ||
| YGCH500 | M22 | Ф20 | M30 |
Ф100 * Ф30 * 150 |
M30 | 78 |
| YGCH630 | ||||||
| YGCH800 | M25 | Ф25 | M36 | 109 | ||
| YGCH1000 | M32 | Ф28 | M36 | M39 | 135 | |
| YGCH1150 | Ф32 | M42 | 188 | |||
| YGCH1250 | M36 | Ф34 | M42 | M45 | 202 | |
| YGCH1450 | M38 | Ф36 | M48 | 227 | ||
| YGCH1600 | Ф38 | M48 |
Ф150 * Ф50 * 200 |
M52 | 253 | |
| YGCH1700 | M42 | Ф40 | M56 | 280 | ||
| YGCH2000 | M45 | Ф42 | M56 | 309 | ||
| YGCH2250 | ||||||
| YGCH2500 | M50 | Ф46 | M60 | 371 | ||
| YGCH3000 |
护舷安装最小间距与预埋螺栓到水泥构件边缘的最小距离。

规格
A
B
YGCH400
180
700
YGCH500
185
700
YGCH630
210
880
YGCH800
230
1120
YGCH1000
255
1500
YGCH1150
280
1730
YGCH1250
290
1870
YGCH1450
350
2180
YGCH1600
350
2400
YGCH1700
380
2550
YGCH2000
430
2880
YGCH2250
430
3360
YGCH2500
450
3730
YGCH3000
510
4500
护舷系统在没有额外支撑锚链情况下,防冲板的重量许可指南。
| 性能 | 水平单鼓或多鼓布置 | 垂直单鼓或多鼓布置 | H(mm) |
| 低反力型RL | WH≤n*0.95*W | Wv≤n*1.2*W | ≤800 |
| 标反力型RO | WH≤n*1.1*W | Wv≤n*1.45*W | |
| 高反力型RH | WH≤n*1.3*W | Wv≤n*1.75*W | |
| 低反力型RL | WH≤n*10*W0.6 | Wv≤n*13.5*W0.6 | ≥1000 |
| 标反力型RO | WH≤n*1*W0.6 | Wv≤n*19*W0.6 | |
| 高反力型RH | WH≤n*19*W0.6 | Wv≤n*23.5*W0.6 |