137-7357-9552
0514-84733518
61473096@qq.com
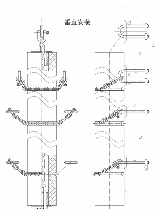
圆筒型橡胶护舷具有久远的历史,它有简单的外形,但功能多样且易于安装。由于其安装形式的多样性,使其成为大型和小型船只靠泊的理想选择,特别适用于重力式码头和整体式码头的上部防护。
| 规格YD*d | 设计压缩变形50% | 重量Kg/m | |||
| 标准反力型RO | 高反力型RH | ||||
| 反力R:KN | 吸能E:KNm | 反力R:KN | 吸能E:KNm | ||
| Y150*75 | 44 | 1.5 | 73 | 2.3 | 17.2 |
| Y200*100 | 60 | 2.6 | 95 | 4.2 | 30.6 |
| Y250*125 | 75 | 4 | 120 | 6.5 | 48 |
| Y300*150 | 89 | 6 | 143 | 9 | 69 |
| Y350*175 | 104 | 8 | 167 | 13 | 94 |
| Y400*200 | 119 | 10 | 191 | 17 | 123 |
| Y500*250 | 148 | 16 | 239 | 26 | 191 |
| Y600*300 | 179 | 24 | 286 | 37 | 276 |
| Y700*350 | 208 | 31 | 334 | 50 | 375 |
| Y800*400 | 237 | 41 | 383 | 66 | 490 |
| Y900*450 | 268 | 52 | 430 | 84 | 620 |
| Y1000*500 | 297 | 64 | 479 | 103 | 766 |
| Y1100*550 | 331 | 77 | 528 | 129 | 727 |
| Y1200*600 | 363 | 95 | 574 | 152 | 1103 |
| Y1300*650 | 392 | 108 | 623 | 179 | 1294 |
| Y1400*700 | 422 | 128 | 670 | 208 | 1500 |
| Y1500*750 | 451 | 147 | 718 | 238 | 1720 |
| Y1600*800 | 481 | 176 | 776 | 282 | 1960 |
| Y1700*850 | 511 | 206 | 824 | 338 | 2210 |
| Y1800*900 | 541 | 247 | 872 | 406 | 2480 |
| Y1900*950 | 570 | 288 | 920 | 487 | 2765 |
| Y2000*1000 | 653 | 321 | 1054 | 584 | 3063 |
| 注:长度可根据用户要求生产 | |||||


| 规格 | D | d | 链条 |
| *Y120 | 120 | 60 | Φ14 |
| Y150 | 150 | 75 | Φ16 |
| *Y180 | 180 | 90 | Φ16 |
| Y200 | 200 | 100 | Φ18 |
| *Y220 | 220 | 110 | Φ18 |
| *Y240 | 240 | 120 | Φ20 |
| Y250 | 250 | 125 | Φ20 |
| *Y260 | 260 | 130 | Φ20 |
| Y300 | 300 | 150 | Φ24 |
| Y350 | 350 | 175 | Φ25 |
| *Y390 | 390 | 195 | Φ28 |
| Y400 | 400 | 200 | Φ28 |
| *Y440 | 440 | 220 | Φ28 |
| *Y460 | 460 | 230 | Φ30 |
| *Y480 | 480 | 240 | Φ30 |
| Y500 | 500 | 250 | Φ32 |
| *Y530 | 530 | 265 | Φ32 |
| *Y540 | 540 | 270 | Φ32 |
| Y600 | 600 | 300 | Φ36 |
| Y700 | 700 | 350 | Φ36 |

| 规格YD*d | L | B | L1 | 链条 |
| Y800*400 | 1000 | 60 | 1350 | Φ25 |
| 1500 | 75 | 1850 | Φ28 | |
| 2000 | 90 | 2370 | Φ32 | |
| 2500 | 100 | 2870 | Φ34 | |
| 3000 | 120 | 3430 | Φ40 | |
| Y900*450 | 1000 | 60 | 1370 | Φ28 |
| 1500 | 80 | 1870 | Φ30 | |
| 2000 | 95 | 2430 | Φ34 | |
| 2500 | 110 | 2930 | Φ38 | |
| 3000 | 125 | 3430 | Φ42 | |
| Y1000*500 | 1000 | 65 | 1370 | Φ28 |
| 1500 | 85 | 1870 | Φ30 | |
| 2000 | 100 | 2430 | Φ38 | |
| 2500 | 120 | 2930 | Φ40 | |
| 3000 | 130 | 3430 | Φ44 | |
| Y1100*550 | 1000 | 70 | 1370 | Φ30 |
| 1500 | 90 | 1870 | Φ32 | |
| 2000 | 110 | 2430 | Φ38 | |
| 2500 | 125 | 2930 | Φ42 | |
| 3000 | 140 | 3510 | Φ46 | |
| Y1200*600 | 1000 | 75 | 1370 | Φ30 |
| 1500 | 95 | 1930 | Φ36 | |
| 2000 | 115 | 2430 | Φ40 | |
| 2500 | 130 | 2930 | Φ44 | |
| 3000 | 150 | 3510 | Φ50 | |
| Y1300*650 | 1000 | 80 | 1370 | Φ32 |
| 1500 | 100 | 1930 | Φ38 | |
| 2000 | 120 | 2430 | Φ42 | |
| 2500 | 140 | 3010 | Φ48 | |
| 3000 | 160 | 3510 | Φ50 | |
| Y1400*700 | 1000 | 80 | 1430 | Φ34 |
| 1500 | 105 | 1930 | Φ38 | |
| 2000 | 125 | 2470 | Φ44 | |
| 2500 | 150 | 2970 | Φ48 | |
| 3000 | 170 | 3510 | Φ52 | |
| Y1500*750 | 1000 | 85 | 1430 | Φ36 |
| 1500 | 110 | 1930 | Φ40 | |
| 2000 | 130 | 2470 | Φ46 | |
| 2500 | 150 | 2970 | Φ48 | |
| 3000 | 170 | 3510 | Φ52 | |
| Y1600*800 | 1000 | 90 | 1430 | Φ38 |
| 1500 | 115 | 1970 | Φ40 | |
| 2000 | 140 | 2470 | Φ46 | |
| 2500 | 160 | 3010 | Φ50 | |
| 3000 | 180 | 3510 | Φ54 |


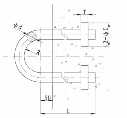
U型环
| 名称 | 材料 |
| U型环 |
Q23 5热镀锌2Cr13 0Cr18Ni10Ti 0Cr18Ni9 0Cr17Ni12Mo2 |
| 大于 | 至 | R | L | d | G | T |
| Y150 | Y400 | R70 | 600 | Φ40 | Φ100 | 20~30 |
| Y400 | Y700 | R80 | 650 | Φ50 | Φ110 | |
| Y700 | Y900 | R90 | 730 | Φ55 | Φ120 | |
| Y900 | Y1100 | R100 | 780 | Φ60 | Φ140 | 25~35 |
| Y1100 | Y1500 | R105 | 830 | Φ65 | Φ150 | |
| Y1500 | Y2000 | R11 | 880 | Φ70 | Φ160 |
