137-7357-9552
0514-84733518
61473096@qq.com
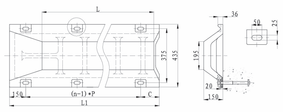
| 规格 | L | L1 | C | P | n | 参考重量 |
| ST150*1000 | 1000 | 1225 | 125 | 475 | 3 | 650 |
| ST150*1500 | 1500 | 1725 | 125 | 725 | 3 | 100 |
| ST150*2000 | 2000 | 2225 | 125 | 650 | 4 | 130 |

| 规格 | 设计压缩变形50% | |
| 反力R:KN | 吸能E:KNm | |
| ST150*1000 | 308 | 8 |
| ST150*1500 | 460 | 12 |
| ST150*2000 | 616 | 16 |
| 注: 性能公差:±10%。 | ||
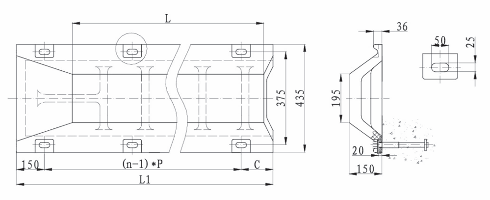
| 规格 | L | L1 | C | P | n | 参考重量 |
| ST200*1000 | 1000 | 1301 | 121 | 515 | 3 | 95 |
| ST200*1500 | 1500 | 1801 | 131 | 760 | 3 | 135 |
| ST200*2000 | 2000 | 2301 | 126 | 675 | 4 | 180 |

| 规格 | 设计压缩变形50% | |
| 反力R:KN | 吸能E:KNm | |
| ST200*1000 | 650 | 8 |
| ST200*1500 | 980 | 27 |
| ST200*2000 | 1300 | 36 |
| 注: 性能公差:±10%。 | ||


配件
预埋件I,用于将护舷安装在现浇混凝土上。

| 名称 | 材料 |
| 六角头螺栓 | 2Cr13 0Cr18Ni10Ti 0Cr18Ni9 0Cr17Ni12Mo2 |
| 垫片 | Q235热镀锌 0Cr18Ni10Ti 2Cr13 0Cr18Ni9 0Cr17Ni12Mo2 |
| 预埋螺母 | 2Cr13 0Cr18Ni10Ti 0Cr18Ni9 0Cr17Ni12Mo2 |
| 地脚杆 | Q235 |
| 地脚板 | Q235 |
| 规格 | MD | 六角头螺栓 | 垫片 | 预埋螺母 | 地脚杆 地脚板 | ||||||||||||
| H | J | S | m | N | n | P | U | V | R | b | e | a | G | T | L | ||
| ST150 | M22 | 15 | 55 | 50 | 68 | 12 | 60 | 23 | 5 | 24 | 10 | 80 | 31 | 50 | 50 | 6-10 | 165 |
| ST200 | M24 | 17 | 50 | 55 | 74 | 14 | 80 | 33 | 5 | 26 | 10 | 80 | 34 | 50 | 55 | 6-10 | 180 |
预埋件II,用于将护舷安装在已有混凝土上。

| 名称 | 材料 |
| 六角螺母 | 2Cr13 0Cr18Ni10Ti 0Cr18Ni9 0Cr17Ni12Mo2 |
| 垫片 | Q235热镀锌 0Cr18Ni10Ti 2Cr13 0Cr18Ni9 0Cr17Ni12Mo2 |
| 直杆螺栓 | 2Cr13 0Cr18Ni10Ti 0Cr18Ni9 0Cr17Ni12Mo2 |
| 规格 | MD | 螺母 | 垫片 | 直杆螺栓 | ||||||||
| H | m | N | n | P | U | V | R | a | L | A | ||
| ST150 | M22 | 15 | 68 | 12 | 60 | 23 | 5 | 24 | 10 | 50 | 260 | 28 |
| ST200 | M24 | 17 | 74 | 14 | 80 | 33 | 5 | 26 | 10 | 55 | 280 | 30 |