137-7357-9552
0514-84733518
61473096@qq.com
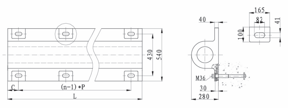
| 规格 | C | P | L | n | 参考重量 |
| DO280*540*1000 | 150 | 700 | 1000 | 2 | 124 |
| DO280*540*1500 | 150 | 1500 | 1500 | 3 | 182 |
| DO280*540*2000 | 145 | 2000 | 2000 | 4 | 255 |
| DO280*540*2500 | 150 | 2500 | 2500 | 5 | 328 |
| DO280*540*3000 | 150 | 3000 | 3000 | 6 | 402 |
| 其它规格尺寸可根据用户要求生产。 | |||||

| 规格 | 设计压缩变形50% | |
| 反力R:KN | 吸能E:KNm | |
| DO280*540*1000 | 375 | 14 |
| DO280*540*1500 | 565 | 21 |
| DO280*540*2000 | 750 | 28 |
| DO280*540*2500 | 940 | 35 |
| DO280*540*3000 | 1130 | 42 |
| 注:性能公差:±10%。 | ||
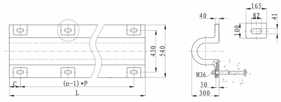
| 规格 | C | P | L | n | 参考重量 |
| DO-A300*540*1000 | 150 | 700 | 1000 | 2 | 130 |
| DO-A300*540*1500 | 150 | 600 | 1500 | 3 | 197 |
| DO-A300*540*2000 | 145 | 570 | 2000 | 4 | 270 |
| DO-A300*540*2500 | 150 | 550 | 2500 | 5 | 340 |
| DO-A300*540*3000 | 150 | 540 | 3000 | 6 | 420 |
| 其它规格尺寸可根据用户要求生产。 | |||||

| 规格 | 设计压缩变形50% | |
| 反力R:KN | 吸能E:KNm | |
| DO-A300*540*1000 | 375 | 17 |
| DO-A300*540*1500 | 605 | 24 |
| DO-A300*540*2000 | 780 | 33 |
| DO-A300*540*2500 | 974 | 39 |
| DO-A300*540*3000 | 1166 | 47 |
| 注:性能公差:±10%。 | ||
| 规格 | C | P | L | n | 参考重量 |
| DO-B300*540*1000 | 150 | 700 | 1000 | 2 | 102 |
| DO-B300*540*1500 | 150 | 600 | 1500 | 3 | 156 |
| DO-B300*540*2000 | 145 | 570 | 2000 | 4 | 210 |
| DO-B300*540*2500 | 150 | 550 | 2500 | 5 | 270 |
| DO-B300*540*3000 | 150 | 540 | 3000 | 6 | 330 |
| 其它规格尺寸可根据用户要求生产。 | |||||

| 规格 | 设计压缩变形50% | |
| 反力R:KN | 吸能E:KNm | |
| DO-B300*540*1000 | 450 | 18 |
| DO-B300*540*1500 | 696 | 27 |
| DO-B300*540*2000 | 898 | 38 |
| DO-B300*540*2500 | 1120 | 45 |
| DO-B300*540*3000 | 1341 | 54 |
| 注:性能公差:±10%。 | ||
| 规格 | C | P | L | n | 参考重量 |
| DO-B300*540*1000 | 150 | 700 | 1000 | 2 | 144 |
| DO-B300*540*1500 | 150 | 600 | 1500 | 3 | 202 |
| DO-B300*540*2000 | 145 | 570 | 2000 | 4 | 290 |
| DO-B300*540*2500 | 150 | 550 | 2500 | 5 | 370 |
| DO-B300*540*3000 | 150 | 540 | 3000 | 6 | 450 |
| 其它规格尺寸可根据用户要求生产。 | |||||

| 规格 | 设计压缩变形50% | |
| 反力R:KN | 吸能E:KNm | |
| DO300*600*1000 | 495 | 20 |
| DO300*600*1500 | 765 | 30 |
| DO300*600*2000 | 989 | 39 |
| DO300*600*2500 | 1237 | 49 |
| DO300*600*3000 | 1484 | 59 |
| 注:性能公差:±10%。 | ||




| 六角头螺栓 | 2Cr13 0Cr18Ni10Ti 0Cr18Ni9 0Cr17Ni12Mo2 |
| 垫片 | Q235热镀锌 0Cr18Ni10Ti 2Cr13 0Cr18Ni9 0Cr17Ni12Mo2 |
| 预埋螺母 | 2Cr13 0Cr18Ni10Ti 0Cr18Ni9 0Cr17Ni12Mo2 |
| 地脚杆 | Q235 |
| 地脚板 | Q235 |

| 名称 | 材料 |
| 六角螺母 | 2Cr13 0Cr18Ni10Ti 0Cr18Ni9 0Cr17Ni12Mo2 |
| 垫片 | Q235热镀锌 0Cr18Ni10Ti 2Cr13 0Cr18Ni9 0Cr17Ni12Mo2 |
| 直杆螺栓 | 2Cr13 0Cr18Ni10Ti 0Cr18Ni9 0Cr17Ni12Mo2 |