137-7357-9552
0514-84733518
61473096@qq.com

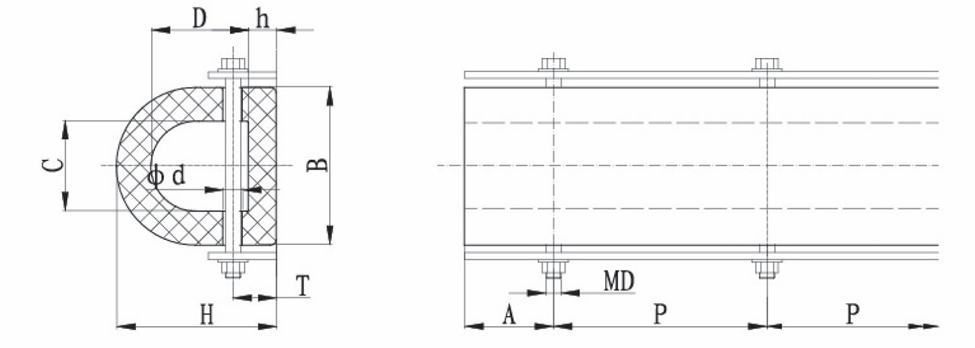
| 规格 | B | H | h | A | P | 压板 宽*厚 | MD | E | Q | R | 参考重量 |
| D200 | 200 | 200 | 35 | 100~150 | 300~600 | 60*14 | M24 | 65 | 60 | R14 | 35 |
| D300 | 300 | 300 | 40 | 100~150 | 300~600 | 100*16 | M30 | 65 | 60 | R16 | 77 |
| D360 | 300 | 300 | 40 | 100~150 | 300~600 | 120*16 | M30 | 65 | 60 | R16 | 85 |
| D400 | 400 | 400 | 55 | 100~150 | 300~600 | 135*18 | M36 | 80 | 70 | R20 | 134 |
| D500 | 500 | 500 | 90 | 100~150 | 300~600 | 160*20 | M42 | 95 | 80 | R23 | 196 |
| 其它规格可根据用户需要制造 | |||||||||||
性能数据:
| 规格 | 设计压缩变形50% | |
| 反力R:KN | 吸能E:KN.m | |
| D200 | 147 | 5.1 |
| D300 | 294 | 12 |
| D360 | 324 | 14 |
| D400 | 382 | 20 |
| D500 | 451 | 32 |
| 注:1.性能公差:10%。2.数为每米数值 | ||


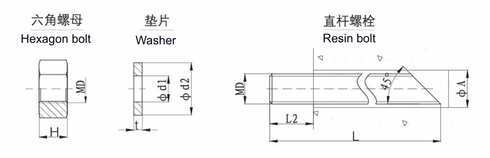
| 名称 | 材料 |
| 六角螺母 | 2Cr13 0Cr18Ni10Ti 0Cr18Ni9 0Cr17Ni12Mo2 |
| 垫片 | Q235热镀锌 0Cr18Ni10Ti 2Cr13 0Cr18Ni9 0Cr17Ni12Mo2 |
| 压板 | Q235热镀锌 Q235涂漆 |
| 锚固螺栓 | Q235热镀锌 0Cr18Ni10Ti 2Cr13 0Cr18Ni9 0Cr17Ni12Mo2 |
| 地脚板 | Q235 Q235热镀锌 |
| 规格 | MD | 螺母 | 垫片 | 压板 | 锚固螺栓 | 地脚板 | |||||
| H | d1 | d2 | t | 宽度*厚度 | L1 | L | L2 | G | T | ||
| D200 | M24 | 22 | 26 | 44 | 4 | 60*14 | 70 | 330 | 85 | 55 | 8-10 |
| D300 | M30 | 26 | 33 | 56 | 4 | 100*16 | 80 | 400 | 100 | 80 | 8-10 |
| D360 | M30 | 26 | 33 | 56 | 4 | 120*16 | 80 | 400 | 100 | 80 | 8-10 |
| D400 | M36 | 30 | 40 | 72 | 6 | 135*18 | 90 | 500 | 125 | 85 | 10-12 |
| D500 | M42 | 34 | 45 | 78 | 6 | 160*20 | 100 | 600 | 165 | 100 | 10-12 |


| 名称 | 材料 |
| 六角螺母 | 2Cr13 0Cr18Ni10Ti 0Cr18Ni9 0Cr17Ni12Mo2 |
| 垫片 | Q235热镀锌 0Cr18Ni10Ti 2Cr13 0Cr18Ni9 0Cr17Ni12Mo2 |
| 压板 | Q235热镀锌 Q235涂漆 |
| 锚固螺栓 | Q235热镀锌 0Cr18Ni10Ti 2Cr13 0Cr18Ni9 0Cr17Ni12Mo2 |
| 地脚板 | Q235 Q235热镀锌 |
| 规格 | MD | 螺母 | 垫片 | 压板 | 锚固螺栓 | ||||||
| H | d1 | d2 | t | 宽度*厚度 | L1 | L | C | R | L2 | ||
| D200 | M24 | 22 | 26 | 44 | 4 | 60*14 | 70 | 330 | 55 | 30 | 85 |
| D300 | M30 | 26 | 33 | 56 | 4 | 100*16 | 80 | 400 | 85 | 35 | 100 |
| D360 | M30 | 26 | 33 | 56 | 4 | 120*16 | 80 | 400 | 85 | 35 | 100 |
| D400 | M36 | 30 | 40 | 72 | 6 | 135*18 | 90 | 500 | 85 | 40 | 125 |
| D500 | M42 | 34 | 45 | 78 | 8 | 160*20 | 100 | 600 | 100 | 50 | 165 |


| 名称 | 材料 |
| 六角螺母 | 2Cr13 0Cr18Ni10Ti 0Cr18Ni9 0Cr17Ni12Mo2 |
| 垫片 | Q235热镀锌 0Cr18Ni10Ti 2Cr13 0Cr18Ni9 0Cr17Ni12Mo2 |
| 直杆螺栓 | 2Cr13 0Cr18Ni10Ti 0Cr18Ni9 0Cr17Ni12Mo2 |
| 规格 | MD | 螺母 | 垫片 | 压板 | 锚固螺栓 | ||||
| H | d1 | d2 | t | 宽度*厚度 | L | A | L2 | ||
| D200 | M24 | 22 | 26 | 44 | 4 | 60*14 | 320 | 30 | 85 |
| D300 | M30 | 26 | 33 | 56 | 4 | 100*16 | 360 | 38 | 100 |
| D360 | M30 | 26 | 33 | 56 | 4 | 120*16 | 360 | 38 | 100 |
| D400 | M36 | 30 | 40 | 72 | 6 | 135*18 | 440 | 46 | 125 |
| D500 | M42 | 34 | 45 | 78 | 8 | 160*20 | 510 | 55 | 165 |

| 规格 | B | H | h | A | P | 压板 宽*厚 | MD | F | E | 参考重量 |
| DD100 | 100 | 100 | 30 | 100~150 | 400~500 | 40*5 | M20 | 25 | 60 | 10 |
| DD150 | 150 | 150 | 35 | 100~150 | 400~500 | 60*8 | M22 | 27 | 60 | 18.5 |
| DD200 | 200 | 200 | 50 | 100~150 | 400~500 | 80*10 | M24 | 30 | 60 | 35 |
| DD250 | 250 | 250 | 62.5 | 100~200 | 400~500 | 90*12 | M27 | 33 | 65 | 55 |
| DD300 | 300 | 300 | 75 | 100~200 | 400~600 | 110*14 | M30 | 35 | 65 | 78 |
| DD350 | 350 | 350 | 87.5 | 100~200 | 400~600 | 130*16 | M33 | 38 | 80 | 107 |
| DD400 | 400 | 400 | 100 | 100~200 | 400~600 | 150*16 | M36 | 40 | 80 | 140 |
| DD500 | 500 | 500 | 125 | 100~200 | 400~600 | 180*20 | M42 | 45 | 95 | 218 |
| 其它规格可根据用户需要制造 | ||||||||||
| 规格 | 设计压缩变形50% | |
| 反力R:KN | 吸能E:KN.m | |
| DD100 | 42 | 0.8 |
| DD150 | 75 | 2 |
| DD200 | 101 | 3.6 |
| DD250 | 126 | 5.7 |
| DD300 | 151 | 8.2 |
| DD350 | 176 | 10.8 |
| DD400 | 202 | 14.5 |
| DD500 | 252 | 22.7 |
| 注:1.性能公差:10%。2.数为每米数值 | ||

| 规格 | B | H | C | D | h | T | d | A | P | MD | 参考重量 |
| DD150 | 150 | 150 | 80 | 80 | 35 | 50 | 27 | 100~150 | 400~500 | M22 | 20 |
| DD200 | 200 | 200 | 100 | 115 | 35 | 50 | 30 | 100~150 | 400~500 | M24 | 35 |
| DD250 | 250 | 250 | 125 | 152 | 35 | 55 | 33 | 100~200 | 400~500 | M27 | 54 |
| DD300 | 300 | 300 | 120 | 160 | 70 | 50 | 36 | 100~200 | 400~600 | M30 | 87 |
| DD350 | 350 | 350 | 170 | 205 | 75 | 55 | 40 | 100~200 | 400~600 | M33 | 108 |
| DD400 | 400 | 400 | 190 | 240 | 55 | 80 | 45 | 100~200 | 400~600 | M36 | 142 |
| 规格 | 设计压缩变形50% | |
| 反力R:KN | 吸能E:KN.m | |
| DD150 | 150 | 3.5 |
| DD200 | 199 | 6.3 |
| DD250 | 250 | 9.9 |
| DD300 | 299 | 14.2 |
| DD350 | 351 | 19 |
| DD400 | 399 | 25 |
| 注:1.性能公差:10%。2.数为每米数值 | ||

| 规格 | B | H | D | A | P | MD | F | E | 参考重量 |
| DC150 | 150 | 150 | 75 | 100~150 | 400~500 | M22 | 27 | 60 | 21 |
| DC200 | 200 | 200 | 100 | 100~150 | 400~500 | M24 | 30 | 60 | 38 |
| DC250 | 250 | 250 | 125 | 100~200 | 400~500 | M27 | 33 | 65 | 60 |
| DC300 | 300 | 300 | 150 | 100~200 | 400~600 | M30 | 35 | 65 | 86 |
| DC350 | 350 | 350 | 175 | 100~200 | 400~600 | M33 | 38 | 80 | 117 |
| DC400 | 400 | 400 | 200 | 100~200 | 400~600 | M36 | 40 | 80 | 155 |
| DC500 | 500 | 500 | 250 | 100~200 | 500~700 | M42 | 45 | 95 | 243 |
| 规格 | 设计压缩变形50% | |
| 反力R:KN | 吸能E:KN.m | |
| DC150 | 82 | 1.9 |
| DC200 | 109 | 3.4 |
| DC250 | 136 | 5.4 |
| DC300 | 165 | 7.7 |
| DC350 | 189 | 10.5 |
| DC400 | 218 | 14 |
| DC500 | 273 | 21.5 |
| 注:1.性能公差:10%。2.数为每米数值 | ||

| 规格 | B | H | D | T | d | A | P | MD | 参考重量 |
| DC100 | 100 | 100 | 30 | 25 | 20 | 100~150 | 400~500 | M20 | 11.5 |
| DC150 | 150 | 150 | 65 | 30 | 27 | 100~200 | 400~500 | M22 | 22.5 |
| DC200 | 200 | 200 | 75 | 30 | 30 | 100~200 | 400~500 | M24 | 43 |
| DC250 | 250 | 250 | 100 | 45 | 33 | 100~200 | 400~500 | M27 | 66 |
| DC300 | 300 | 300 | 125 | 55 | 36 | 100~200 | 400~600 | M30 | 93 |
| DC350 | 350 | 350 | 150 | 65 | 40 | 100~200 | 400~600 | M33 | 126 |
| DC350 | 350 | 350 | 175 | 65 | 40 | 100~200 | 400~600 | M33 | 117 |
| DC400 | 400 | 400 | 100 | 75 | 450 | 100~200 | 400~600 | M36 | 155 |
| DC500 | 500 | 500 | 250 | 92 | 50 | 150~250 | 500~700 | M42 | 243 |
| 其它规格可根据用户需要制造 | |||||||||
| 规格 | 设计压缩变形50% | |
| 反力R:KN | 吸能E:KN.m | |
| DC100 | 165 | 1.9 |
| DC150 | 240 | 3.9 |
| DC200 | 320 | 7 |
| DC250 | 396 | 11 |
| DC300 | 478 | 15.8 |
| DC350 | 561 | 21.5 |
| DC400 | 638 | 28 |
| DC500 | 803 | 44 |
| 注:1.性能公差:10%。2.数为每米数值 | ||

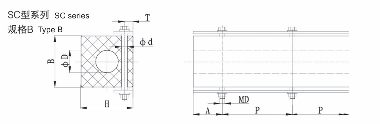
| 规格 | B | H | D | A | P | MD | F | E | 参考重量 |
| SC150 | 150 | 150 | 75 | 100~150 | 400~500 | M22 | 28 | 60 | 25 |
| SC200 | 200 | 200 | 100 | 100~150 | 400~500 | M24 | 30 | 60 | 45 |
| SC250 | 250 | 250 | 125 | 100~200 | 400~500 | M27 | 33 | 65 | 70 |
| SC300 | 300 | 300 | 150 | 100~200 | 400~600 | M30 | 35 | 65 | 100 |
| SC350 | 350 | 350 | 175 | 100~200 | 400~600 | M33 | 38 | 80 | 137 |
| SC400 | 400 | 400 | 200 | 100~200 | 400~600 | M36 | 40 | 80 | 180 |
| SC500 | 500 | 500 | 250 | 100~200 | 500~700 | M42 | 45 | 95 | 280 |
| 其它规格可根据用户需要制造 | |||||||||
| 规格 | 设计压缩变形50% | |
| 反力R:KN | 吸能E:KN.m | |
| SC150 | 117 | 3.8 |
| SC200 | 150 | 6.8 |
| SC250 | 195 | 10.6 |
| SC300 | 234 | 15 |
| SC350 | 270 | 20 |
| SC400 | 312 | 27 |
| SC500 | 390 | 42 |
| 注:1.性能公差:10%。2.数为每米数值 | ||

| 规格 | B | H | D | T | d | A | P | MD | 参考重量 |
| SC150 | 150 | 150 | 75 | 30 | 27 | 100~150 | 400~500 | M22 | 25 |
| SC200 | 200 | 200 | 100 | 35 | 30 | 100~150 | 400~500 | M24 | 45 |
| SC250 | 250 | 250 | 125 | 45 | 33 | 100~200 | 400~500 | M27 | 70 |
| SC300 | 300 | 300 | 150 | 55 | 36 | 100~200 | 400~600 | M30 | 100 |
| SC350 | 350 | 350 | 175 | 65 | 40 | 100~200 | 400~600 | M33 | 137 |
| SC400 | 400 | 400 | 200 | 75 | 45 | 100~200 | 400~600 | M36 | 180 |
| SC500 | 500 | 500 | 250 | 95 | 50 | 100~200 | 500~700 | M42 | 280 |
| 其它规格可根据用户需要制造 | |||||||||
| 规格 | 设计压缩变形50% | |
| 反力R:KN | 吸能E:KN.m | |
| SC150 | 224 | 6 |
| SC200 | 298 | 11 |
| SC250 | 370 | 17 |
| SC300 | 447 | 25 |
| SC350 | 530 | 34 |
| SC400 | 590 | 44 |
| SC500 | 750 | 69 |
| 注:1.性能公差:10%。2.数为每米数值 | ||





