1. 设计简单而经济
2. 结构合理,实用性强
3. 任意的长度尺寸
应用:
1. 拖轮
2. 施工船
3. 平底船


137-7357-9552
0514-84733518
61473096@qq.com


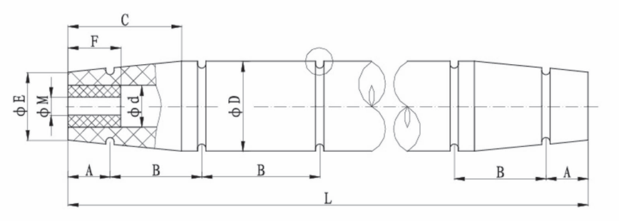
| D*d | E | Amax | Bmax | C | M | F | 参考重量 |
| 250*125 | 190 | 200 | 570 | 500 | 75 | 300 | 47 |
| 300*150 | 225 | 225 | 600 | 700 | 75 | 350 | 68 |
| 380*190 | 280 | 225 | 650 | 800 | 100 | 400 | 110 |
| 400*200 | 300 | 250 | 670 | 800 | 100 | 400 | 122 |
| 450*225 | 350 | 250 | 700 | 850 | 100 | 400 | 155 |
| 480*240 | 350 | 250 | 700 | 850 | 100 | 400 | 176 |
| 500*250 | 375 | 280 | 730 | 900 | 100 | 400 | 190 |
| 540*270 | 375 | 280 | 730 | 900 | 100 | 400 | 223 |
| 600*300 | 450 | 300 | 800 | 900 | 125 | 500 | 275 |
| 700*350 | 500 | 350 | 870 | 950 | 125 | 500 | 375 |
| 800*400 | 600 | 350 | 930 | 1000 | 125 | 500 | 490 |
| 900*450 | 675 | 350 | 1000 | 1100 | 150 | 500 | 620 |
| 注:1.表格中的数据仅供参考.2.护舷长度可根据用户要求生产 | |||||||
| K | 110 | 95 | 80 | 70 | 70 | 70 | 70 | 70 | 60 |
| R | 15 | 5 | 10 | 35 | 35 | 35 | 35 | 5 | 30 |
| H | 50 | 20 | 50 | 80 | 60 | 50 | 40 | 25 | 50 |
| K | 60 | 60 | 50 | 50 | 50 | 50 | 50 | 50 | 50 |
| R | 30 | 10 | 25 | 25 | 25 | 25 | 25 | 5 | 2 |
| H | 40 | 30 | 45 | 40 | 35 | 30 | 25 | 10 | 5 |
